CNG加氣機
NJQ型壓縮天然氣加氣機
■ 概述
壓縮天然氣(CNG)加氣機主要是用于NGV(天然氣汽車)的加注。它有單/雙槍結構,雙槍型加氣機內含兩套系統,結構緊湊,兩路加氣互不影響。
本產品滿足“整體防爆”要求,符合GB3836-2000《爆炸性環境用防爆電氣設備》標準的有關規定。防爆標志ExmdibⅡAT4。防爆合格證編號:CNEx102018x
■ 產品標示

■ 主要技術參數
1. 單槍最大流量:40 Nm3/min
2. 計量精度等級:0.5級
3. 設計壓力:27.5Mpa
4. 額定壓力:20MPa
5. 環境溫度:-35℃~50℃
6. 相對濕度:15~95%
7. 電源:220V±15%AC, 50±1Hz
8. 計量單位:元/Nm3(標準立方米)
9. 讀數最小分度值:0.01
10.單次計數范圍:0~9999.99
11.累計計數:0~99999999.99
12.單價設置范圍:0~99.99
13. 聯網通信口:RS485
14.加氣槍嘴:快換接頭 插入式槍
15.防爆標志:Exdmeib II AT4
■ 主要功能
1)加氣過程自動控制,在充氣過程中能雙面自動顯示加氣量、加氣金額及單價(顯示帶夜光);
2)三線壓力自動切換,保證對三瓶組的準確合理取氣;
3)加氣機加氣計價顯示:“加氣量”、“單價一元/m3”、“金額一元”,并帶有壓力表顯示壓力;
4)具有斷電數據保護,顯示當前一次加氣數據;
5)大容量存儲,能查詢不低于12000次的加氣數據;
6)監控系統:監測充氣過程的溫度、壓力和流量,控制充氣速度,當壓力、流量超標時自動關閥保護;
7)加氣控制系統:對儲氣瓶組進行取氣控制,以保證較大的充氣流量;
8)內置進口時鐘系統,斷電后依然計時準確可靠;
9)壓力保護功能:當加氣壓力超過國家規定壓力值,自動停止加氣;
10)可以隨時查詢總累計量;
11)具有定氣量,定金額的預置加氣功能;
12)可調整三線加氣壓力值和流速值及氣體密度;
13)配置拉斷閥(拉斷閥拉斷力:≤400N)、入口球閥;
14)可查檢每筆加氣數據,及加氣時間;
可查詢當班加氣累計氣量、金額、總累計氣量、總累計金額;
15)具有自動檢測故障功能,能自動顯示故障代碼;
16)在充氣過程中能直接顯示壓力,且加氣壓力可調整,保證快速加氣;
17)加氣軟管有拉斷保護功能;
18)具有卸壓及排污功能;具有在線清洗過濾器功能,而不拆卸過濾器;
19)具有手動緊急切斷閥;
20)無流量信號,自動關機,保障業主利益;
21)具有RS485通訊,可與加氣站電腦管理系統通信;
22)具有小票打印功能;
23)具有IC卡加氣機的所有功能,加氣機取得國家級防爆認證;
24)IC卡機聯動加氣機時,采用高級算法生成管理IC卡密鑰;
確保IC 卡用戶的數據安全;
25)質量流量計:可選擇進口或國產質量流量計并帶有溫度傳感器進行補償;
26)可選配金屬按鍵盤;
27)所有參數采用了密碼訪問方式,輸入正確的密碼后才能修改相關設備信息;
28)高寒地區可對電子設備加裝保溫裝置;
29)具有氣瓶過期提示功能;
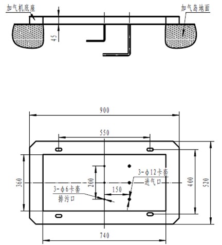
■ 安裝基礎圖

壓縮天然氣加氣機地基圖
■ 其它:
整機尺寸:長×寬×高=900×520×1850(2080) mm
整機重量:雙槍加氣機約248 Kg;












