CNG卸氣柱
NXQ型壓縮天然氣卸氣柱
■ 概述
卸氣柱主要是用于從槽車向加氣站、工業用氣管道卸氣的高智能機電一體化的加氣設備,卸氣柱在工作過程中只需要手動控制,主要是計量和顯示卸氣的氣量、金額等。
■ 產品標示

卸氣柱型號有 NXQ1D-80B (經濟型,不帶電磁閥)
NXQ1D-150B (經濟型,不帶電磁閥)
NXQ1D-80W(無流量計)
■ 主要技術參數
1、單槍最大流量:80 Nm3/min, 150 Nm3/min
2、計量精度等級:0.5級
3、設計壓力:27.5Mpa
4. 額定壓力:20MPa
5、 環境溫度:-35℃~50℃
6、 相對濕度:15~95%
7、 電源:220V±15%AC, 50±1Hz
8、計量單位:Nm3(標準立方米)、元
9. 讀數最小分度值:0.01
10.單次計數范圍:0~9999.99
11.累計計數:0~99999999.99
12.單價設置范圍:0~99.99
13.卸氣軟管直徑:1″
14.卸氣槍嘴:快速接頭
15.防爆標志:Exdmeib II AT4
■ 主要功能
1)加氣過程自動控制,在充氣過程中能雙面自動顯示加氣量、加氣金額及單價(顯示帶夜光)
2)加氣機加氣計價顯示:“加氣量”、“單價一元/m3”、“金額一元”,并帶有壓力表顯示壓力
3)具有斷電數據保護,顯示當前一次加氣數據
4)大容量存儲,能查詢不低于12000次的加氣數據
5)監控系統:監測充氣過程的溫度和流量,充氣速度
6)內置進口時鐘系統,斷電后依然計時準確可靠
8)可以隨時查詢總累計量
9)具有定氣量,定金額的預置加氣功能
11)可查檢每筆加氣數據,及加氣時間
可查詢當班加氣累計氣量、金額、總累計氣量、總累計金額
12)具有自動檢測故障功能,能自動顯示故障代碼
14)具有卸壓及排污功能;具有在線清洗過濾器功能,而不拆卸過濾器
15)具有手動緊急切斷閥
17)具有RS485通訊,可與加氣站電腦管理系統通信
18)質量流量計:使用進口質量流量計并帶有溫度傳感器進行補償
19)可選配金屬鍵盤
20)所有參數采用了密碼訪問方式,輸入正確的密碼后才能修改相關設備信息
21)高寒地區可對電子設備加裝保溫裝置
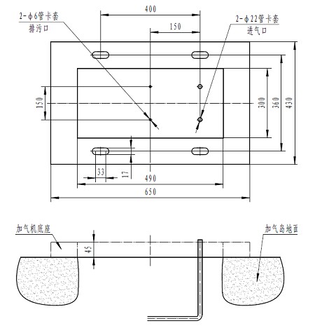
■ 安裝基礎圖
壓縮天然氣卸氣柱地基圖
■ 其它:
整機尺寸:標準: 長×寬×高=650×430×1700 mm
可選: 長×寬×高=900×520×2080 mm
整機重量: 單槍卸氣柱約174 Kg












